System Overview
The LYNK II Communication Gateway unlocks the full potential of a Discover Lithium battery by enabling the internal Battery Management System (BMS) to provide real-time data in a closed-loop configuration to other devices. This configuration allows hybrid inverter-chargers and solar charge controller systems to optimize control over the charging process in solar applications. LYNK II also enables the remote monitoring of Discover Lithium battery SOC and data logging of multiple sites using the data monitoring services offered by off-grid inverter systems.
Discover Lithium batteries must be set up to work with power conversion and monitoring devices in either an open-loop or closed-loop configuration.
In an open-loop configuration, charge and discharge settings are set up manually through the controller for the power conversion device at the time of installation.
In a closed-loop configuration, the BMS of the Discover Lithium battery sends the battery status over a network data connection with the power conversion device. Power conversion devices use the Discover Lithium battery BMS data to fine-tune the output of their charger and deliver other functional controls based on battery voltage, temperature, and percent State-of-Charge.
If communication is interrupted between the BMS and Victron inverter-charger, the Victron inverter-charger stops charging until communication is re-established.

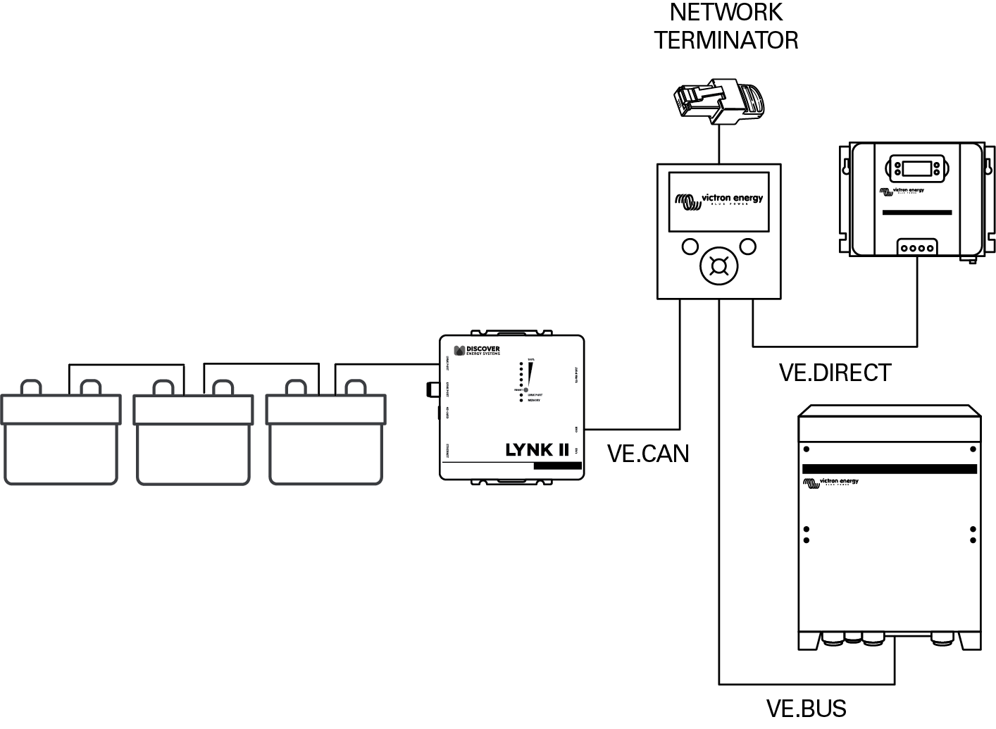
Example LYNK II with Victron Energy Devices