System Overview
The LYNK II Communication Gateway unlocks the full potential of a Discover Lithium battery by enabling the internal Battery Management System (BMS) to provide real-time data in a managed (closed-loop) configuration to other devices. Closed-loop communication allows inverter-chargers and solar charge controller systems to optimize their control over the charging process in solar applications. LYNK II also enables LYNK CLOUD, a web-based platform for remotely monitoring the state of charge, battery current, voltage, and temperature of all your Discover batteries.
Discover Lithium batteries must be set up to work with power conversion and monitoring devices in either a self-managed (open-loop) or managed (closed-loop) configuration.
Discover Lithium battery charge and discharge settings in a self-managed (open-loop) configuration are set up manually through the controller for the power conversion device at installation time. Refer to Selectronic Self-Managed (Open Loop) Configuration with Discover Lithium Batteries (805-0074).
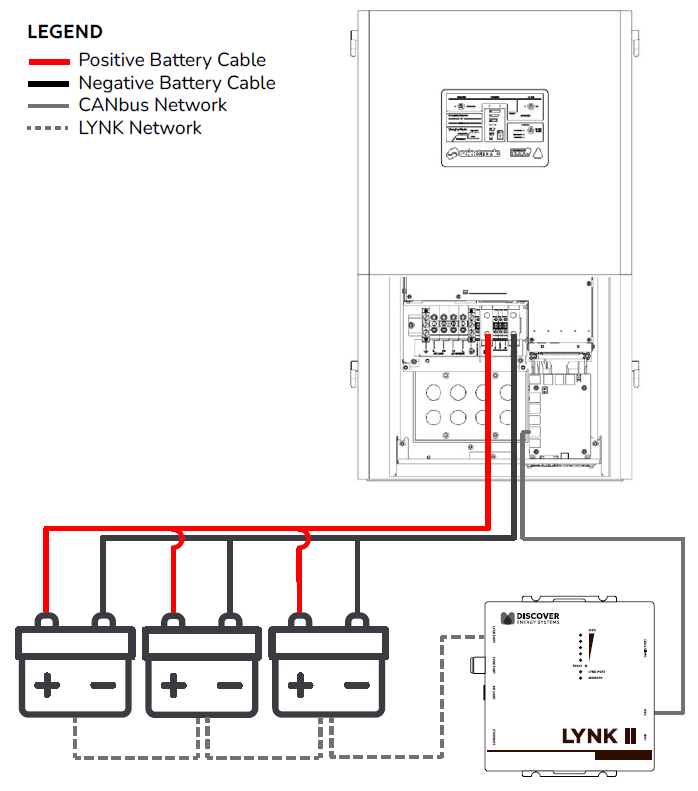
In a managed (closed-loop) configuration, the BMS of the Discover Lithium battery sends the battery status over a network data connection with the power conversion device. Power conversion devices use the Discover Lithium battery BMS data to fine-tune the output of their charger and deliver other functional controls based on battery voltage, temperature, and percent State-of-Charge.
If communication between the BMS and Selectronic inverter-charger is interrupted for more than 10 seconds, the Selectronic inverter-charger stops and enters an alarm state until communication is re-established.

System Overview