INTRODUCTION
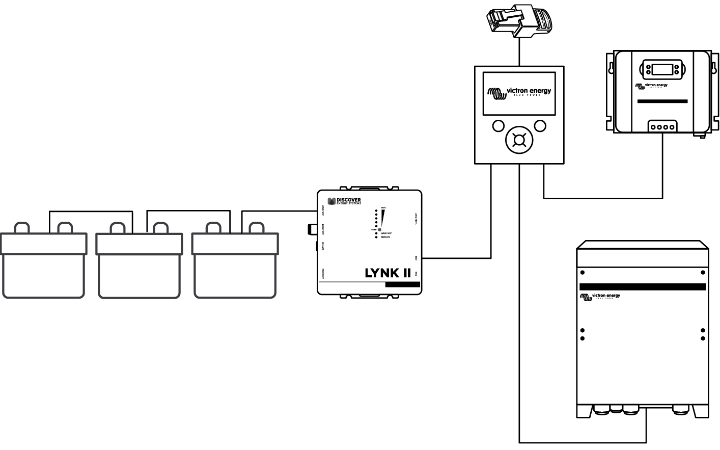
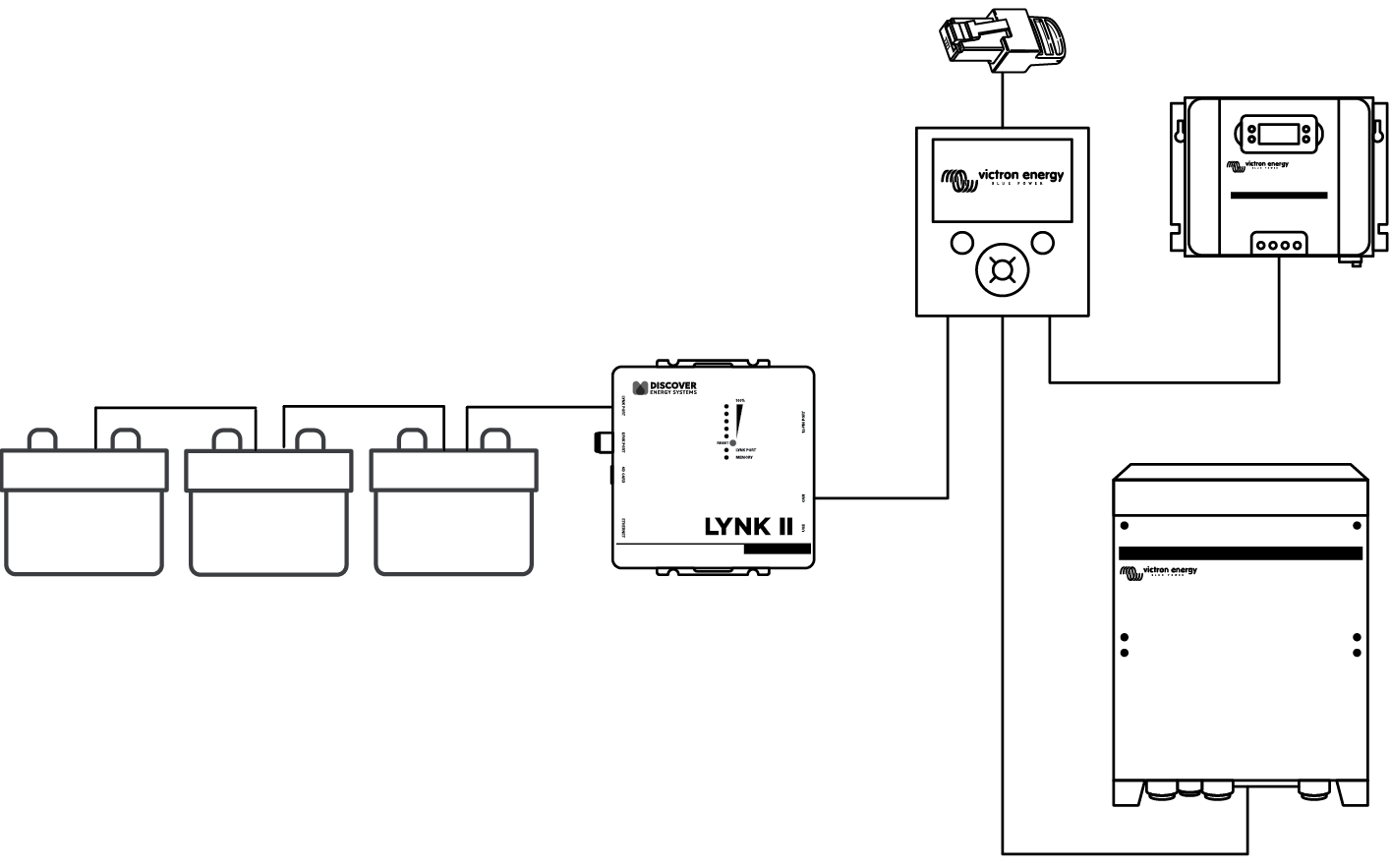
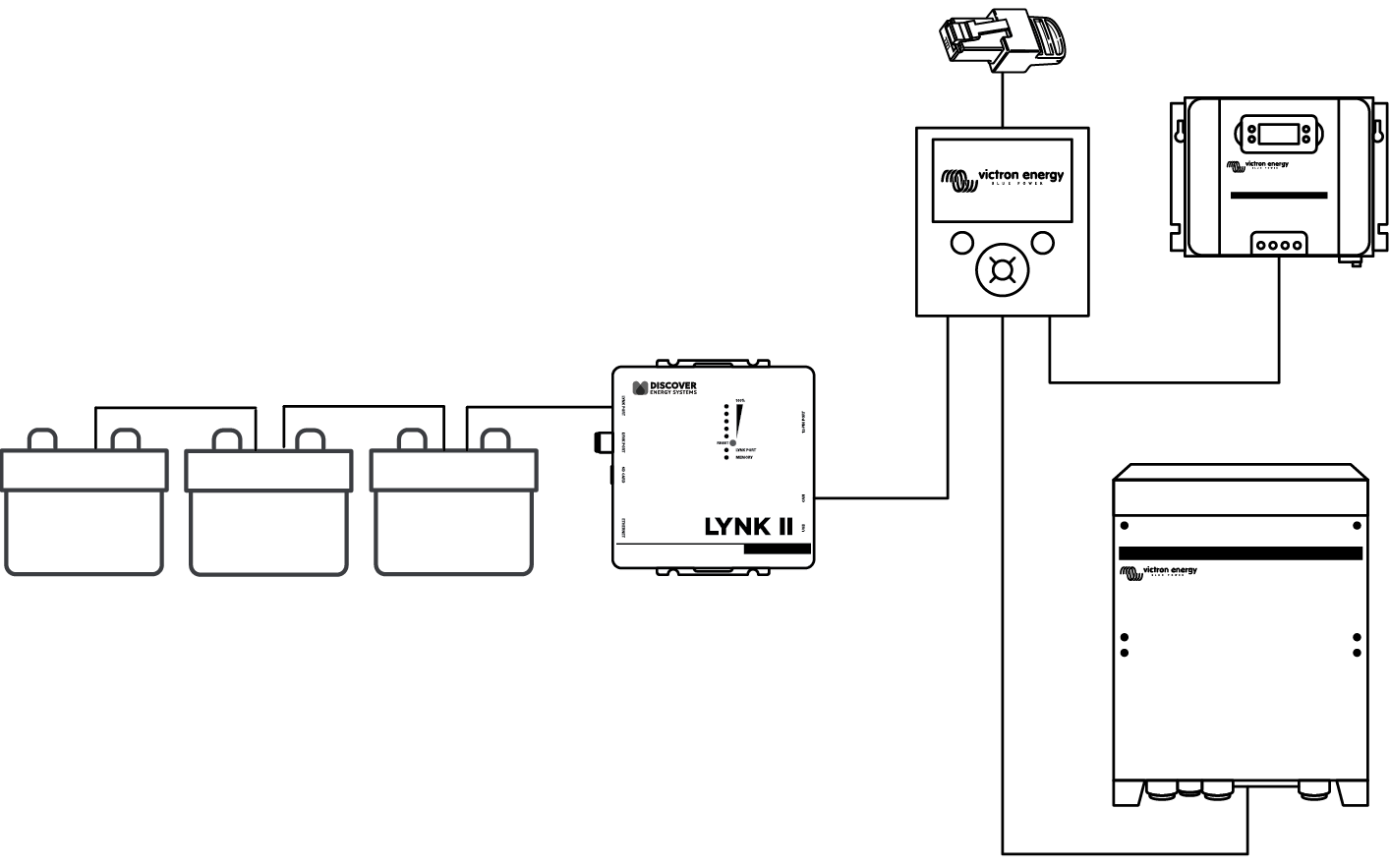
This Application Note provides information about integrating LYNK and AEbus network-enabled Discover Lithium Batteries using the LYNK II Communication Gateway with Victron inverter-chargers.

Before installation and configuration, consult the relevant product documentation, including Manuals, Application Notes, and Installation and Configuration Guides.
Victron Energy Documentation
Visit https://www.victronenergy.com/ for the most recent version of published documents.
Discover Energy Systems Documentation
LYNK II Installation and Operation Manual (805-0033)
AES RACKMOUNT datasheet (808-0039)
HELIOS ESS Installation and Operation Manual (805-0090)
Visit https://discoverenergysys.com for the most recent version of published documents, including Discover Lithium battery user manuals and the LYNK II Installation and Operation Manual (805-0033).
The LYNK II Communication Gateway is compatible with the following:
Discover Lithium Batteries
AES RACKMOUNT: 48-48-5120, 48-48-5120-H
HELIOS ESS: 52-48-16000
Victron Products
Control Panels:
| Used in conjunction with:
|