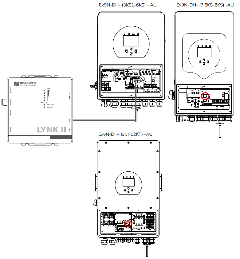
Connecting LYNK II to the NOARK Network
Before connecting LYNK II to the NOARK network, confirm that the CAN out pins on the LYNK II are configured correctly. Refer to “LYNK II CAN Hardware Termination and CAN Out PIN Configuration”.
Insert one end of a CAT5e or higher communication cable into the LYNK II CAN out port and the other end into the correct CAN port of the NOARK inverter-charger.

NOARK CANopen Connection