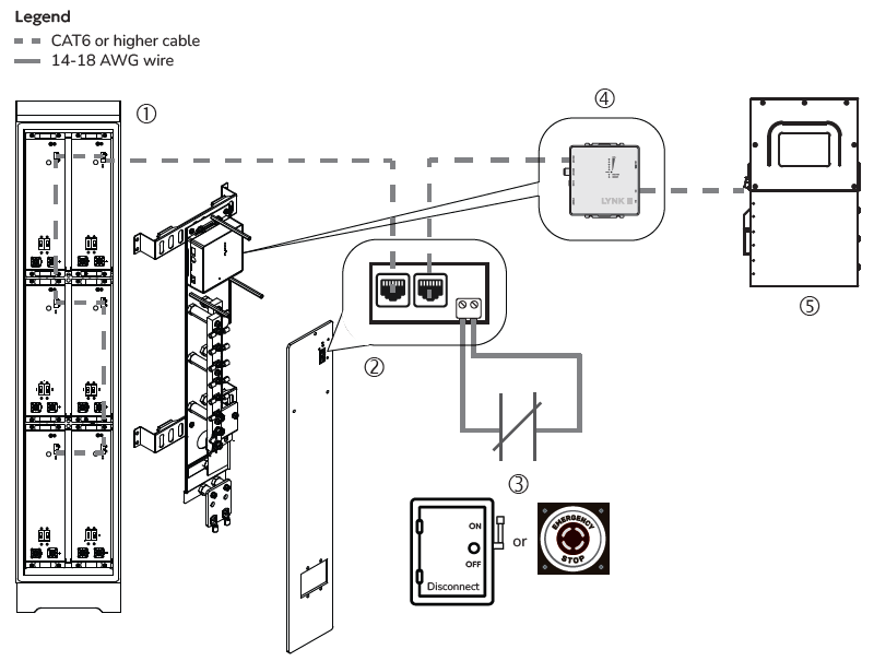
Slimline Enclosure Circuit

Figure 6, Slimline Enclosure Circuit
Item | Description |
|---|---|
1 | AES RACKMOUNT batteries are networked in a Slimline Enclosure. |
2 | RPO board on the plexiglass busbar protector in the AES RACKMOUNT Slimline Enclosure. Wire the emergency switch to the terminals on the edge of the RPO board. NOTE: The terminals do not have a positive or negative. They need to be wired to opposite ends of the emergency switch. |
3 | Normally Closed emergency switch (E-stop button or bladed lockable disconnect) |
4 | (Optional) LYNK II or LYNK LITE Communication Gateway attached to the busbar mounting assembly on the Slimline Enclosure. It is not required to operate the E-stop/bladed lockable disconnect. |
5 | Inverter It is not required to operate the E-stop/bladed lockable disconnect. |
Operation
RUN:
Use the power switch on each AES RACKMOUNT battery module to turn them all ON.
Close the circuit by turning the bladed lockable disconnect handle to ON or resetting (pulling up) the E-stop button.
After about 8 seconds, the battery modules become synchronized with the switch’s ON state.
SHUT DOWN: Push the E-stop button or crank the handle of the bladed lockable disconnect to OFF to open the circuit and turn OFF the batteries connected to the battery's LYNK network.